產品分類
已瀏覽商品

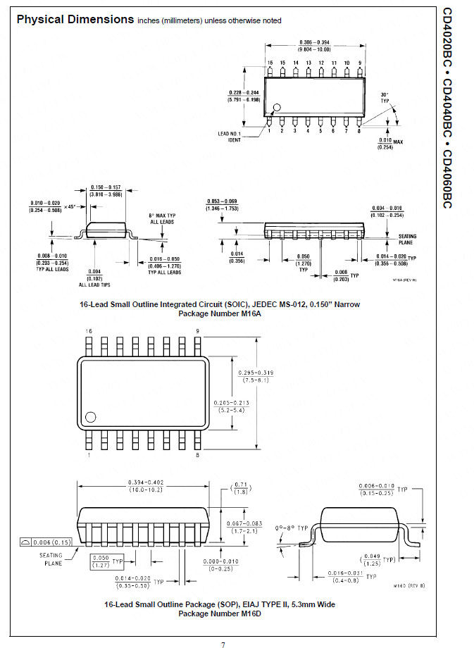
16P/DIP -0.5~18V

NT$78
Part No:
22531
Product No:
CD4020BCN
品牌:
Fairchild(ONS)
說明:
技術文件:
包裝單位:
2 PC
門市據點各店庫存門市儲位位置圖倉庫儲位位置圖
龍山門市0
光復門市18170-2-06-E
购买数量:
產品特性
  • 特性

Fairchild-CD4020BCN










Top

HDMI選擇器 3 進一出 (切換器) MINI-HDMI-301

Part No.: #59798
Product No.: 111118888
包裝單位:
10PC
NT$500
數量: