產品分類
已瀏覽商品

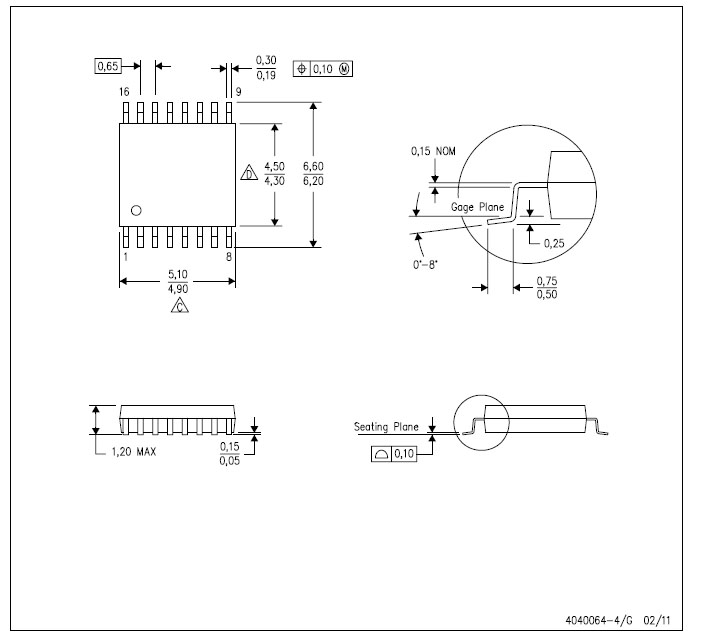
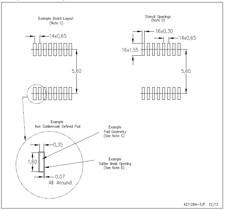
16P/DIP (ROHS)

NT$186
Part No:
22545
Product No:
CD4053BE
品牌:
T.I.
說明:
技術文件:
包裝單位:
5 個
門市據點各店庫存門市儲位位置圖倉庫儲位位置圖
龍山門市0
光復門市126170-2-06-F170-F-07-E
购买数量:
產品特性
  • 特性

T.I.-CD4053BE






















Top

HDMI選擇器 3 進一出 (切換器) MINI-HDMI-301

Part No.: #59798
Product No.: 111118888
包裝單位:
10PC
NT$500
數量: