產品分類
已瀏覽商品

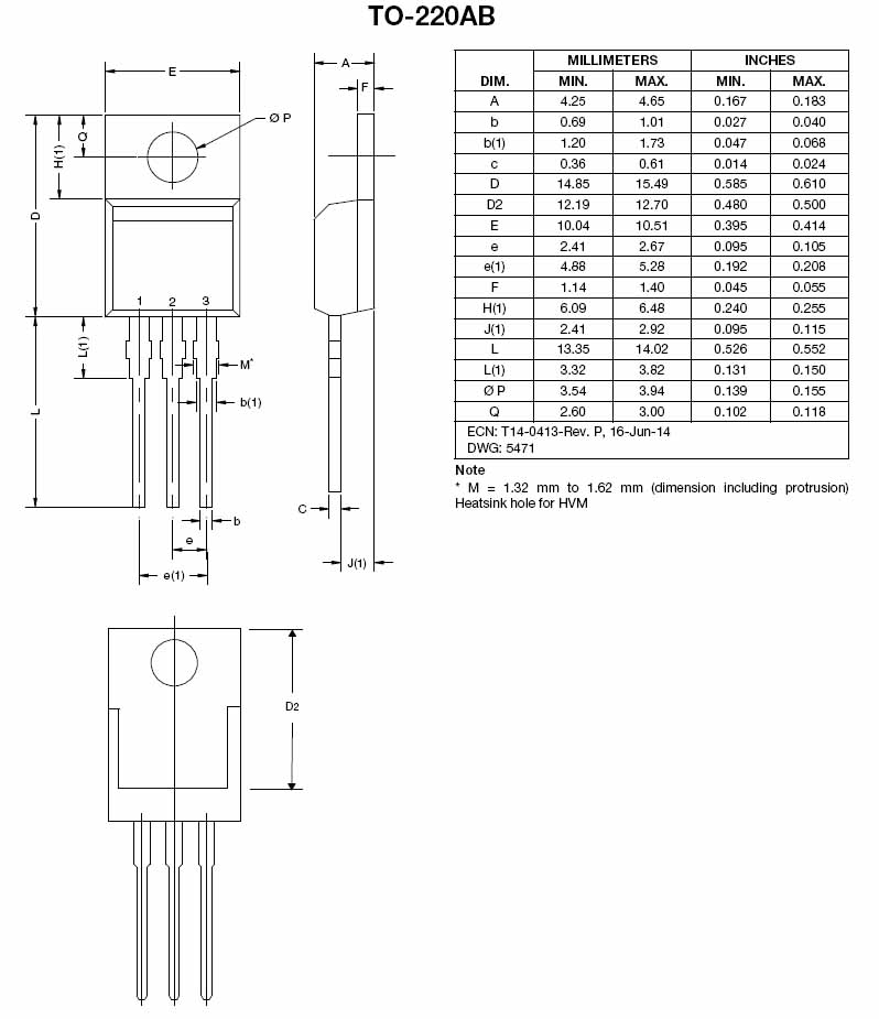
3P/TO-220AB 5.6A

NT$86
Part No:
22621
Product No:
IRF510PBF
品牌:
IR
說明:
技術文件:
包裝單位:
2 PC
門市據點各店庫存門市儲位位置圖倉庫儲位位置圖
龍山門市-30
光復門市58170-2-06-B170-F-19-B
购买数量:
產品特性
  • 特性

IR-IRF510PBF






Top

HDMI選擇器 3 進一出 (切換器) MINI-HDMI-301

Part No.: #59798
Product No.: 111118888
包裝單位:
10PC
NT$500
數量: