產品分類
已瀏覽商品

PNP -50Vceo -150mA

NT$20
Part No:
22646
Product No:
KTC9015C
品牌:
KEC
說明:
技術文件:
包裝單位:
10 PC
門市據點各店庫存門市儲位位置圖倉庫儲位位置圖
龍山門市0
光復門市352170-2-02-L
购买数量:
產品特性
  • 特性

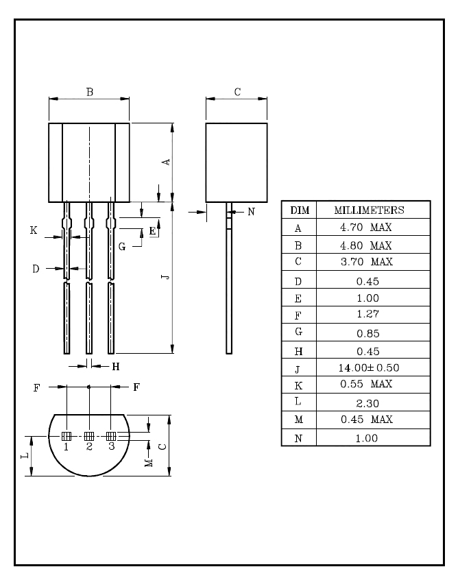
KEC-KTC9015C










Top

HDMI選擇器 3 進一出 (切換器) MINI-HDMI-301

Part No.: #59798
Product No.: 111118888
包裝單位:
10PC
NT$500
數量: