產品分類
已瀏覽商品

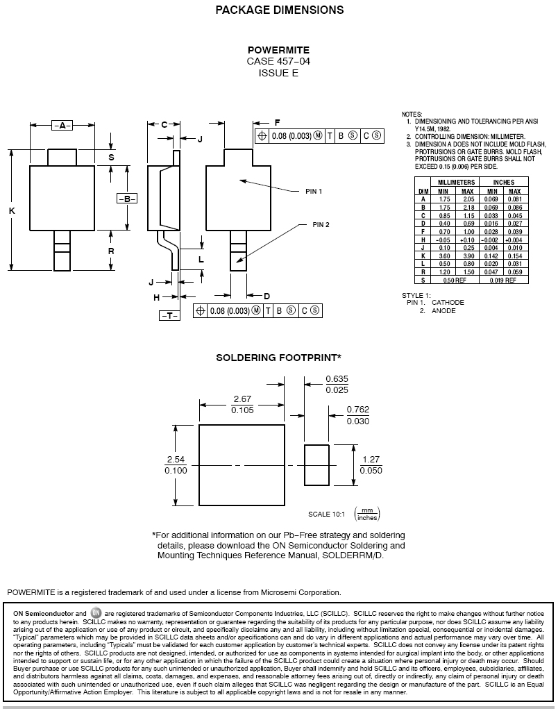
肖特基二極體 40V/1A

NT$105
Part No:
29690
Product No:
MBRM140T1G
品牌:
ON-Semi.
說明:
技術文件:
包裝單位:
10 個
門市據點各店庫存門市儲位位置圖倉庫儲位位置圖
龍山門市0
光復門市250170-2-02-EB1-05
购买数量:
產品特性
  • 特性

ON-Semi.-MBRM140T1G
 
 





Top

HDMI選擇器 3 進一出 (切換器) MINI-HDMI-301

Part No.: #59798
Product No.: 111118888
包裝單位:
10PC
NT$500
數量: