產品分類
已瀏覽商品

3P/TO-220AB ROHS

NT$135
Part No:
33864
Product No:
IRF3703PBF
品牌:
IR
說明:
技術文件:
包裝單位:
1 個
門市據點各店庫存門市儲位位置圖倉庫儲位位置圖
龍山門市0
光復門市12170-2-06-A
购买数量:
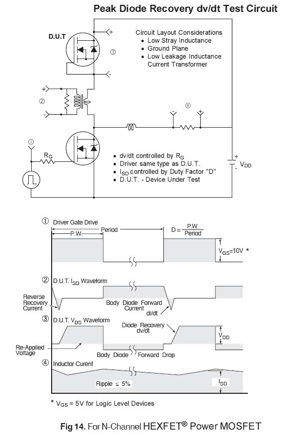
產品特性
  • 特性

IR-IRF3703PBF






Top

HDMI選擇器 3 進一出 (切換器) MINI-HDMI-301

Part No.: #59798
Product No.: 111118888
包裝單位:
10PC
NT$500
數量: