產品分類
已瀏覽商品

3P/TO-220AB 無鉛

NT$65
Part No:
34239
Product No:
IRFZ44VPBF
品牌:
IR
說明:
技術文件:
包裝單位:
2 個
門市據點各店庫存門市儲位位置圖倉庫儲位位置圖
龍山門市0
光復門市41170-2-06-A
购买数量:
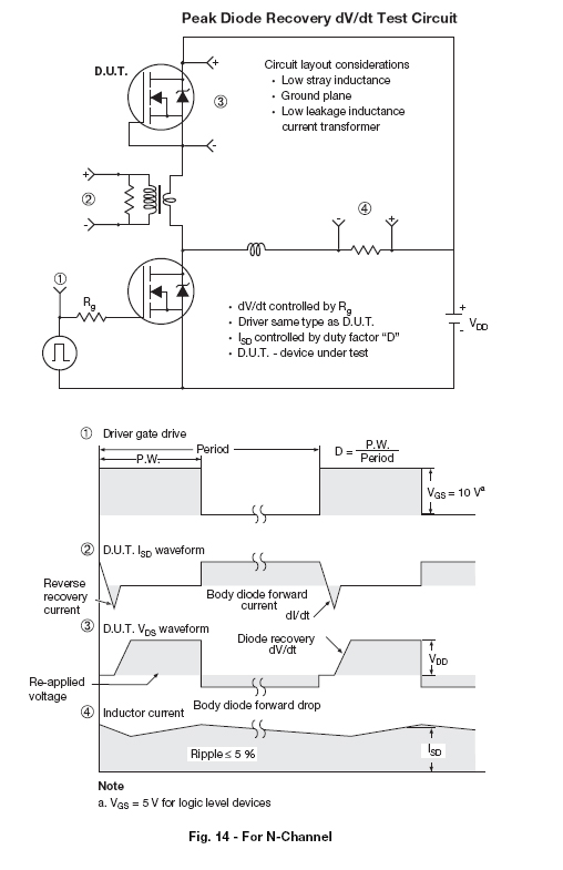
產品特性
  • 特性

IR-IRFZ44VPBF






Top

HDMI選擇器 3 進一出 (切換器) MINI-HDMI-301

Part No.: #59798
Product No.: 111118888
包裝單位:
10PC
NT$500
數量: