產品分類
已瀏覽商品

肖特基整流器 15V 19A

NT$73
Part No:
35539
Product No:
19TQ015PBF
品牌:
IR
說明:
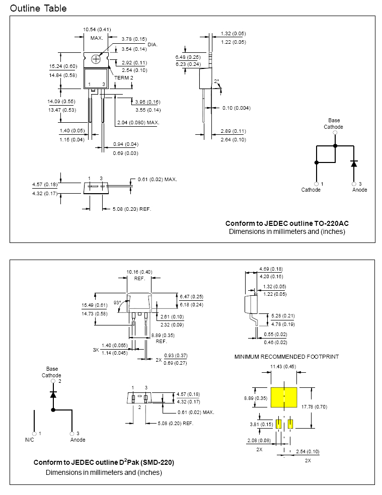
技術文件:
包裝單位:
2 個
門市據點各店庫存門市儲位位置圖倉庫儲位位置圖
龍山門市0
光復門市156170-2-02-E170-F-38-C箱6
购买数量:
產品特性
  • 特性

IR-19TQ015PBF






Top

HDMI選擇器 3 進一出 (切換器) MINI-HDMI-301

Part No.: #59798
Product No.: 111118888
包裝單位:
10PC
NT$500
數量: