產品分類
已瀏覽商品

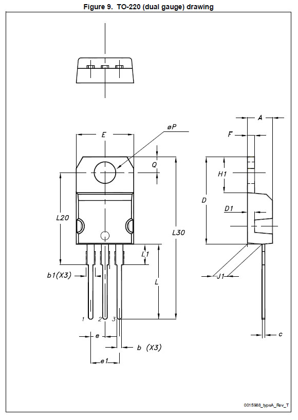
3P/TO-220 (ROHS) -12V/1.5A

NT$100
Part No:
3746
Product No:
L7912CV-DG
品牌:
ST(SGS)
說明:
技術文件:
包裝單位:
5 個
門市據點各店庫存門市儲位位置圖倉庫儲位位置圖
龍山門市0
光復門市350170-2-06-P170-2-07C
购买数量:
產品特性
  • 特性

ST(SGS)-L7912CV

















Top

HDMI選擇器 3 進一出 (切換器) MINI-HDMI-301

Part No.: #59798
Product No.: 111118888
包裝單位:
10PC
NT$500
數量: