產品分類
已瀏覽商品

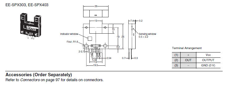
反射型光電開關(微型光電傳感器)

NT$750
Part No:
38139
Product No:
EE-SPX303N
品牌:
OMRON
說明:
技術文件:
包裝單位:
1 PC
門市據點各店庫存門市儲位位置圖倉庫儲位位置圖
龍山門市0
光復門市2166-1-05-B
购买数量:
產品特性
  • 特性

OMRON-EE-SPX303N











Top

HDMI選擇器 3 進一出 (切換器) MINI-HDMI-301

Part No.: #59798
Product No.: 111118888
包裝單位:
10PC
NT$500
數量: