產品分類
已瀏覽商品

16P/SOIC (ROHS)

NT$100
Part No:
40100
Product No:
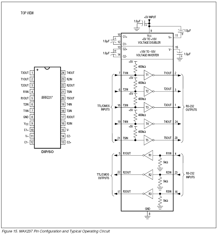
MAX232ACSE+
品牌:
MAXIM
說明:
技術文件:
包裝單位:
1 個
門市據點各店庫存門市儲位位置圖倉庫儲位位置圖
龍山門市0
光復門市22170-2-06-J170-F-07-E
购买数量:
產品特性
  • 特性

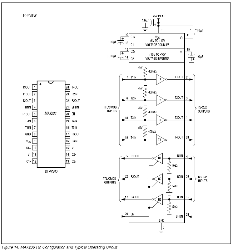
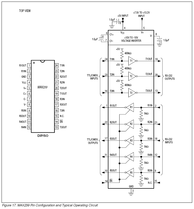
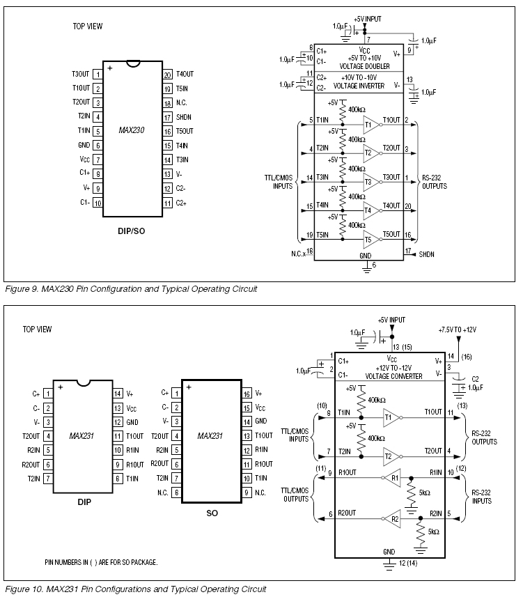
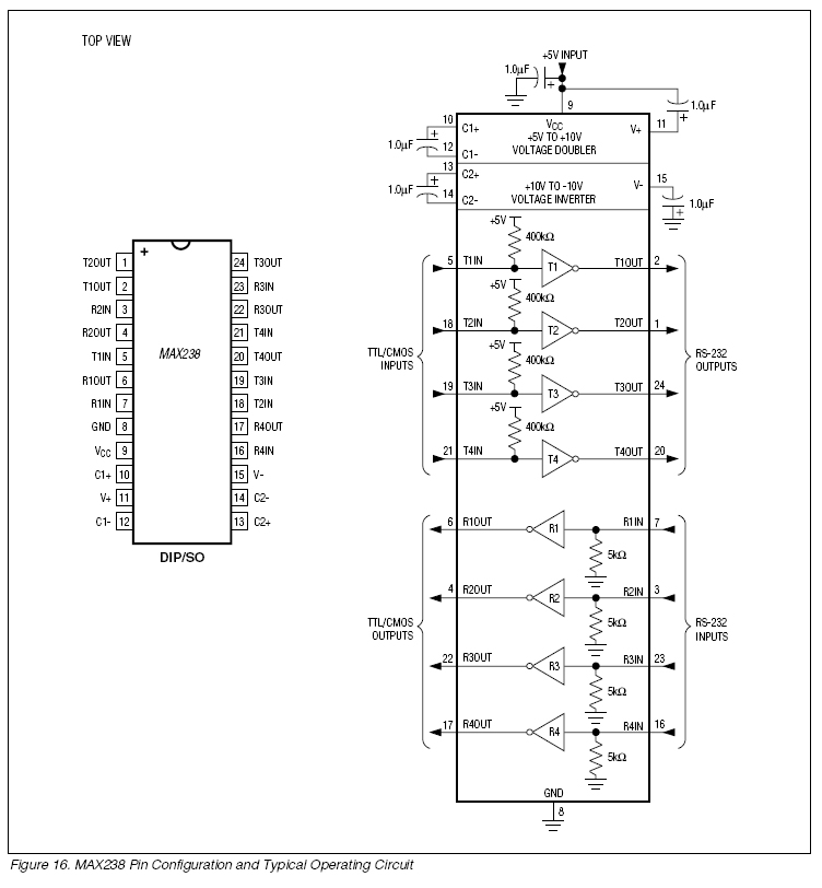
MAXIM_MAX220-MAX249

























































Top

HDMI選擇器 3 進一出 (切換器) MINI-HDMI-301

Part No.: #59798
Product No.: 111118888
包裝單位:
10PC
NT$500
數量: