產品分類
已瀏覽商品

20P/DIP (ROHS)

NT$180
Part No:
41030
Product No:
AT89C4051-24PU
品牌:
ATMEL
說明:
技術文件:
包裝單位:
2 個
門市據點各店庫存門市儲位位置圖倉庫儲位位置圖
龍山門市0
光復門市63170-2-06-F
购买数量:
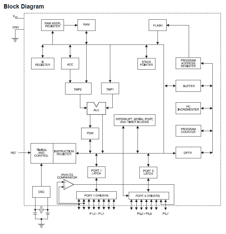
產品特性
  • 特性

ATMEL-AT89C4051-24PU








Top

HDMI選擇器 3 進一出 (切換器) MINI-HDMI-301

Part No.: #59798
Product No.: 111118888
包裝單位:
10PC
NT$500
數量: