產品分類
已瀏覽商品

N-Ch. 400V/5.5A 無鉛

NT$70
Part No:
42164
Product No:
IRF730PBF
品牌:
IR
說明:
技術文件:
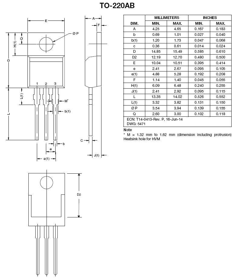
包裝單位:
2 PC
門市據點各店庫存門市儲位位置圖倉庫儲位位置圖
龍山門市0
光復門市102170-2-06-A170-F-19-D
购买数量:
產品特性
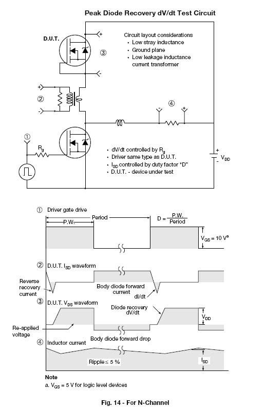
  • 特性

IR-IRF730PBF






Top

HDMI選擇器 3 進一出 (切換器) MINI-HDMI-301

Part No.: #59798
Product No.: 111118888
包裝單位:
10PC
NT$500
數量: