16P/SOIC (ROHS)
- 特性
MAX220–MAX249
5V供電、多通道RS-232驅動器/接收器
商品敘述
專位EIA/TIA-232E以及V.28/V.24通信接口設計,尤其是無法提供±12V電源的應用。
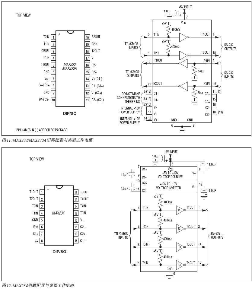
這些器件特別適合電池供電系統,是由於其低功耗開斷模式可以將功耗減到5μW以內。MAX225、MAX233、MAX235以及MAX245/MAX246/MAX247不需要外部元件,推薦用於印刷電路板面積有限的應用。
商品應用
便攜式計算機
低功耗調製解調器
接口轉換
電池供電RS-232系統
多點RS-232網絡
商品特性
●對於低電壓、集成ESD保護的應用
MAX3222E/MAX3232E/MAX3237E/MAX3241E/MAX3246E: +3.0V至 +5.5V、低功耗、速率高達1Mbps、利用四個0.1μF電容實現真正的RS-232收發器(MAX3246E提供UCSP TM封裝)
●對於低成本應用
MAX221E: ±15kV ESD保護、+5V、1μA、具有AutoShutdownTM功能的單芯片RS-232收發器







