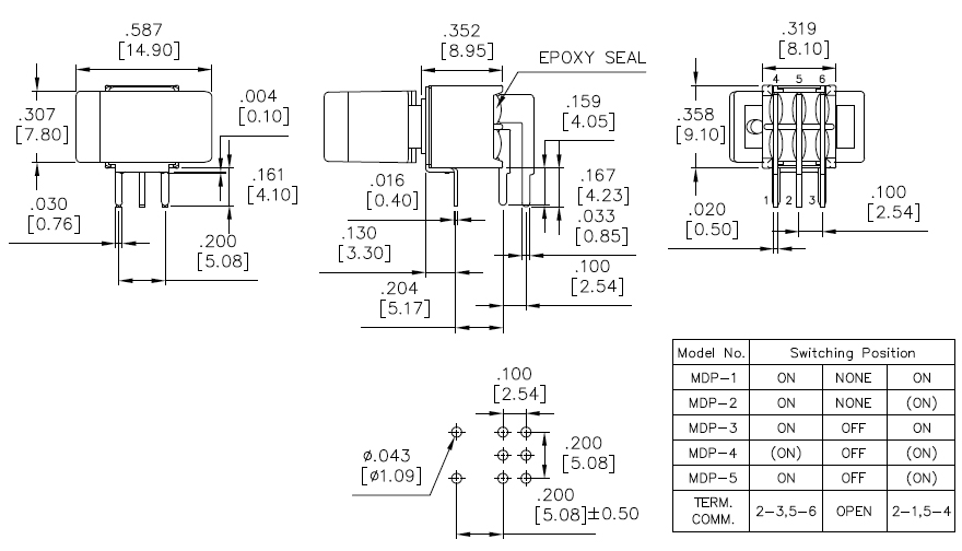
蹺板開關 ON-ON DPDT 6P
NT$86
Part No:
43527
Product No:
4MD1R102M6QE
品牌:
TAIWAY
說明:
技術文件:
包裝單位:
2 PC











