產品分類
已瀏覽商品

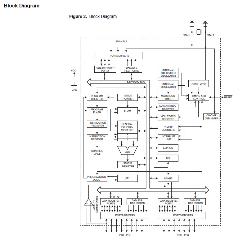
單晶片控制 MCU (ROHS)

NT$158
Part No:
46272
Product No:
ATTINY2313V-10PU
品牌:
ATMEL
說明:
技術文件:
包裝單位:
2 個
門市據點各店庫存門市儲位位置圖倉庫儲位位置圖
龍山門市0
光復門市2170-2-06-D
购买数量:
產品特性
  • 特性

ATMEL-ATTINY2313V-10PU


























Top

HDMI選擇器 3 進一出 (切換器) MINI-HDMI-301

Part No.: #59798
Product No.: 111118888
包裝單位:
10PC
NT$500
數量: