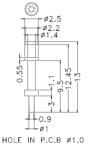
1.0mm 測試針(鍍金)【ROHS】
NT$360
Part No:
46817
Product No:
TEST-8
品牌:
說明:
技術文件:
包裝單位:
100 支/包





