產品分類
已瀏覽商品

NAIS_PCB繼電器

NT$98
Part No:
47292
Product No:
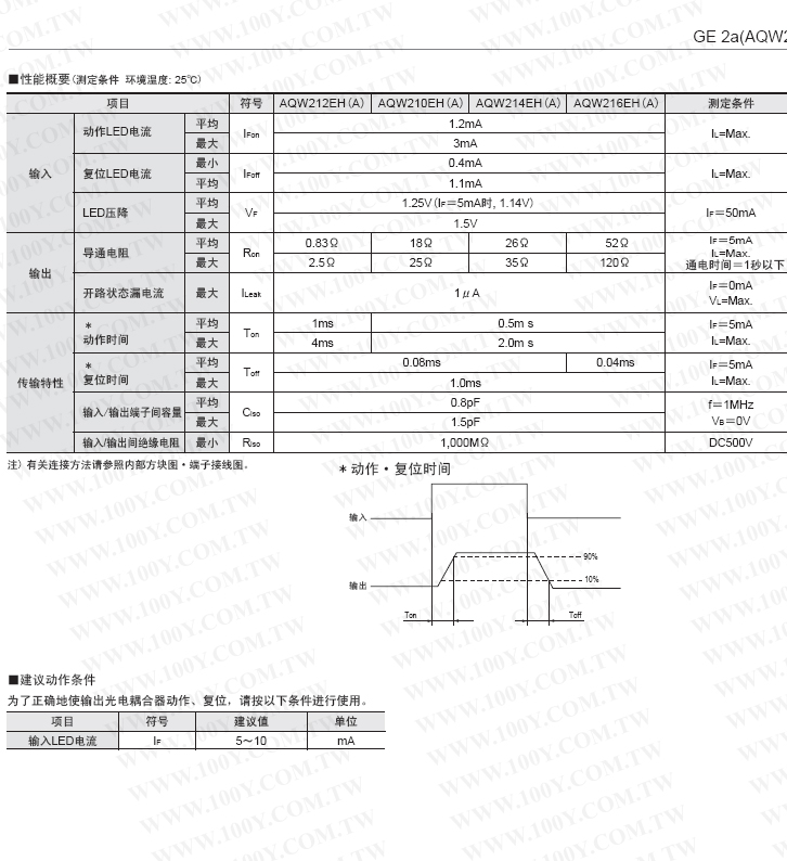
AQW214EH
品牌:
NAIS
說明:
技術文件:
包裝單位:
1 PC
門市據點各店庫存門市儲位位置圖倉庫儲位位置圖
龍山門市13167-1-11
光復門市19168-2-46-B
购买数量:
產品特性
  • 特性

AQW214EH

 

NAIS_PCB繼電器

 


 

 

 

 

 

 

 

 

 


Top

HDMI選擇器 3 進一出 (切換器) MINI-HDMI-301

Part No.: #59798
Product No.: 111118888
包裝單位:
10PC
NT$500
數量: