產品分類
已瀏覽商品

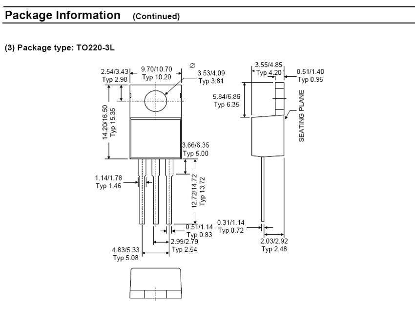
1.8V TO263-3L(無鉛)

NT$35
Part No:
47720
Product No:
AP1084K18LA
品牌:
DIODES
說明:
技術文件:
包裝單位:
2 個
門市據點各店庫存門市儲位位置圖倉庫儲位位置圖
龍山門市0
光復門市410170-2-06-L170-F-07-B
购买数量:
產品特性
  • 特性

DIODES-AP1084K18LA











Top

HDMI選擇器 3 進一出 (切換器) MINI-HDMI-301

Part No.: #59798
Product No.: 111118888
包裝單位:
10PC
NT$500
數量: