產品分類
已瀏覽商品

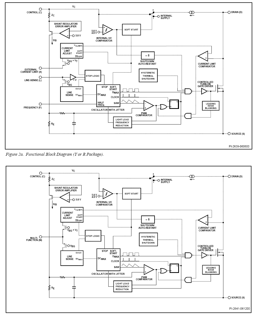
交換式電壓源的控制IC 無鉛

NT$98
Part No:
50116
Product No:
TOP243YN
品牌:
POWER INT.
說明:
技術文件:
包裝單位:
1 PC
門市據點各店庫存門市儲位位置圖倉庫儲位位置圖
龍山門市0
光復門市13170-2-06-I
购买数量:
產品特性
  • 特性

POWER INT.-TOP243YN












































Top

HDMI選擇器 3 進一出 (切換器) MINI-HDMI-301

Part No.: #59798
Product No.: 111118888
包裝單位:
10PC
NT$500
數量: