8P/DIP 儀器放大器 (ROHS)
- 特性
T.I.-INA128/INA129儀表放大器
DESCRIPTION
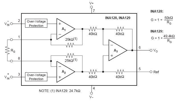
The INA128 and INA129 are low power, general purpose instrumentation amplifiers offering excellent accuracy. The versatile 3-op amp design and small size make them ideal for a wide range of applications. Current-feedback input circuitry provides wide bandwidth even at high gain (200kHz at G = 100).
A single external resistor sets any gain from 1 to 10,000. The INA128 provides an industry-standard gain equation; the INA129 gain equation is compatible with the AD620.
The INA128/INA129 is laser trimmed for very low offset voltage (50μV), drift (0.5μV/°C) and high common-mode rejection (120dB at G ≥ 100). It operates with power supplies as low as ±2.25V, and quiescent current is only 700μA—ideal for batteryoperated systems. Internal input protection can withstand up to ±40V without damage.
The INA128/INA129 is available in 8-pin plastic DIP and SO-8 surface-mount packages, specified for the –40°C to +85°C temperature range. The INA128 is also available in a dual configuration, the INA2128.
FEATURES
●LOW OFFSET VOLTAGE: 50μV max
●LOW DRIFT: 0.5μV/℃max
●LOW INPUT BIAS CURRENT: 5nA max
●HIGH CMR: 120dB min
●INPUTS PROTECTED TO ±40V
●WIDE SUPPLY RANGE: ±2.25V to ±18V
●LOW QUIESCENT CURRENT: 700μA
●8-PIN PLASTIC DIP, SO-8
APPLICATIONS
●BRIDGE AMPLIFIER
●THERMOCOUPLE AMPLIFIER
●RTD SENSOR AMPLIFIER
●MEDICAL INSTRUMENTATION
●DATA ACQUISITION





