產品分類
已瀏覽商品

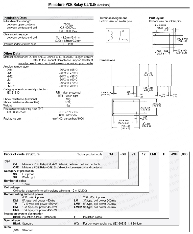
PCB繼電器 12VDC

NT$58
Part No:
51659
Product No:
OJE-SS-112DM
品牌:
OEG
說明:
技術文件:
包裝單位:
2 PC
門市據點各店庫存門市儲位位置圖倉庫儲位位置圖
龍山門市3167-1-11
光復門市5168-2-47-D
购买数量:
產品特性
  • 特性

 

OEG_OJE-SS-112DM

 

PCB繼電器 12VDC

 

 

 


 

 

 

 

 

 

 

 

 

 

 

 

 

 

 

 

Top

HDMI選擇器 3 進一出 (切換器) MINI-HDMI-301

Part No.: #59798
Product No.: 111118888
包裝單位:
10PC
NT$500
數量: