產品分類
已瀏覽商品

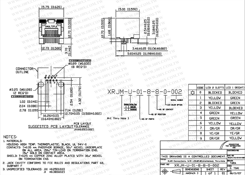
RJ45-8P8C-90°(ROHS)

NT$45
Part No:
52751
Product No:
XRJM-S-01-8-8-0
品牌:
說明:
技術文件:
包裝單位:
2 PC
門市據點各店庫存門市儲位位置圖倉庫儲位位置圖
龍山門市28167-2-26167-2-67A
光復門市208168-1-26168-1-40
购买数量:
產品特性
  • 特性

RJ45 母插座

 


 

 

 

 


Top

HDMI選擇器 3 進一出 (切換器) MINI-HDMI-301

Part No.: #59798
Product No.: 111118888
包裝單位:
10PC
NT$500
數量: