產品分類
已瀏覽商品

5P/SOT-23

NT$75
Part No:
55973
Product No:
INA138NA/250
品牌:
T.I.
說明:
技術文件:
包裝單位:
1 PC
門市據點各店庫存門市儲位位置圖倉庫儲位位置圖
龍山門市0
光復門市37170-2-06-I
购买数量:
產品特性
  • 特性

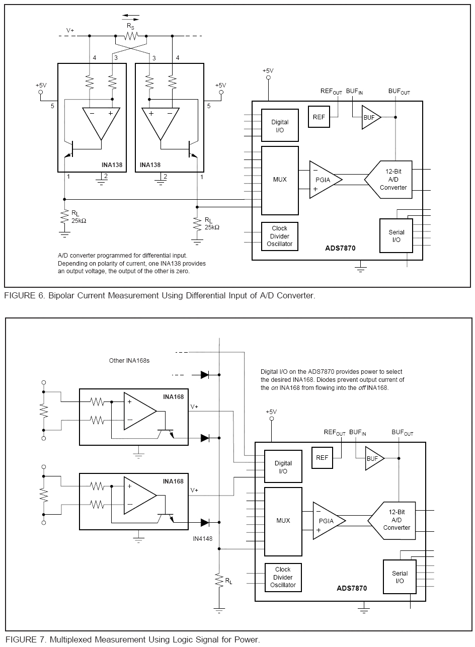
TI_INA138,INA168  Current Shunt Monitor
























  

Top

HDMI選擇器 3 進一出 (切換器) MINI-HDMI-301

Part No.: #59798
Product No.: 111118888
包裝單位:
10PC
NT$500
數量: