EMI 濾波器10A
NT$240
Part No:
56197
Product No:
YC10T1
品牌:
YUNPEN
說明:
技術文件:
包裝單位:
1 個
產品特性
- 特性
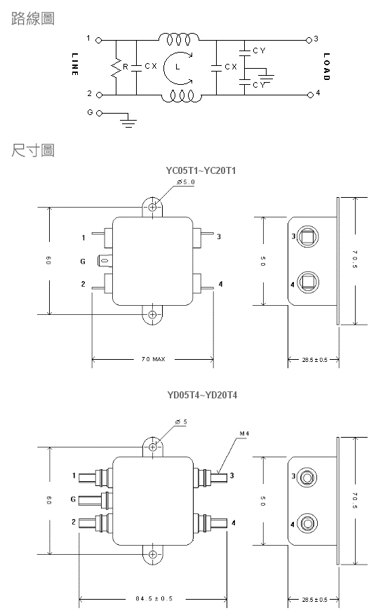
YUNPEN-YC-T1, YD-T4 SERIES
商品特點
●T1 輸出端子使用250快速端子
●T4 輸出端子使用M-4 螺絲
●YC-T1 安規取得:UL and CSA。
●YD-T4 安規取得:UL, CSA, VDE。
商品規格
衰減量





