產品分類
已瀏覽商品

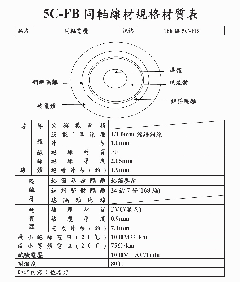
CATV同軸電纜 5C-2V

NT$25
Part No:
56536
Product No:
5CFB-168編
品牌:
說明:
技術文件:
包裝單位:
1 M
門市據點各店庫存門市儲位位置圖倉庫儲位位置圖
龍山門市142167-2-75
光復門市128.1166-1-57166-1-57B
购买数量:
產品特性
  • 特性

LE168編5CFB同軸線



Top

HDMI選擇器 3 進一出 (切換器) MINI-HDMI-301

Part No.: #59798
Product No.: 111118888
包裝單位:
10PC
NT$500
數量: