產品分類
已瀏覽商品

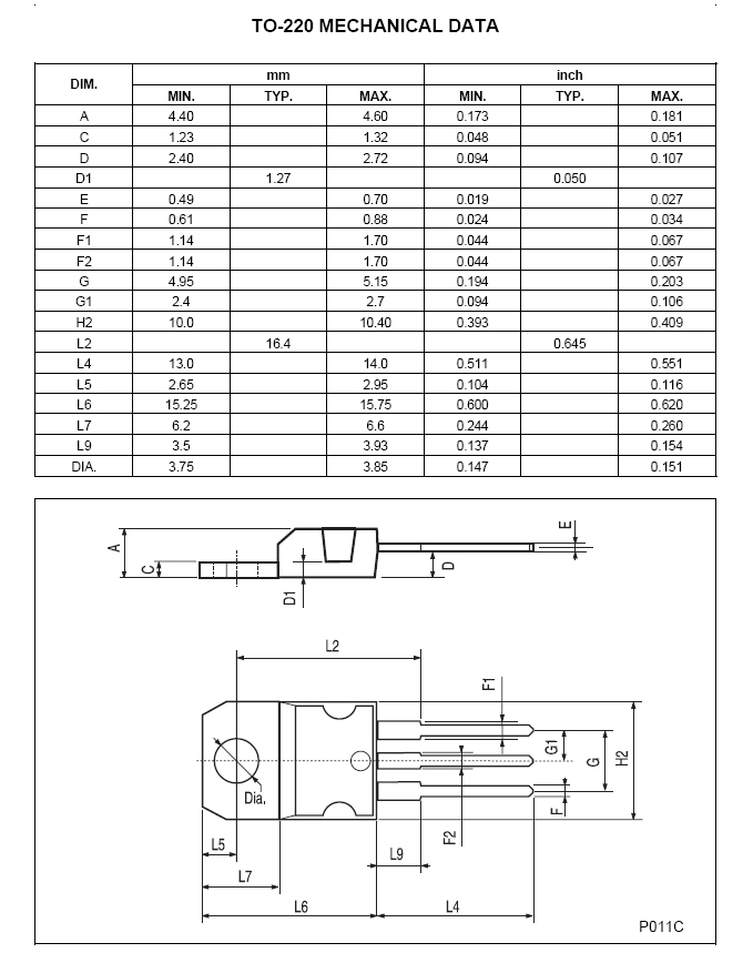
3P/TO-220 (ROHS) PNP 60V/5A

NT$55
Part No:
57046
Product No:
TIP125
品牌:
ST(SGS)
說明:
技術文件:
包裝單位:
2 個
門市據點各店庫存門市儲位位置圖倉庫儲位位置圖
龍山門市0
光復門市12170-2-02-K
购买数量:
產品特性
  • 特性

ST(SGS)-TIP125





Top

HDMI選擇器 3 進一出 (切換器) MINI-HDMI-301

Part No.: #59798
Product No.: 111118888
包裝單位:
10PC
NT$500
數量: