產品分類
已瀏覽商品

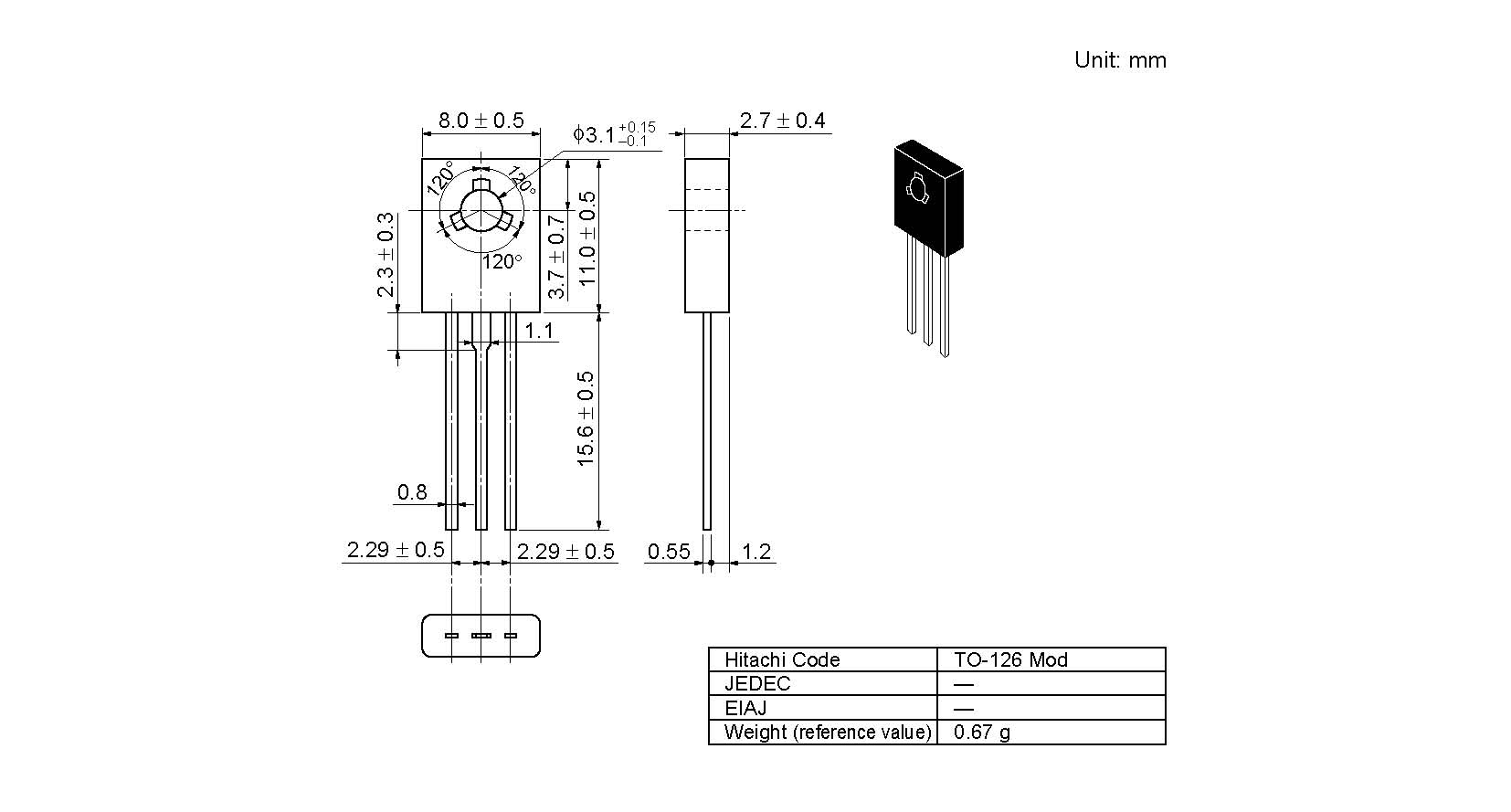
PNP -160Vceo -1.5A

NT$90
Part No:
5837
Product No:
2SB649A
品牌:
HITACHI
說明:
技術文件:
包裝單位:
5 個
門市據點各店庫存門市儲位位置圖倉庫儲位位置圖
龍山門市0
光復門市20170-2-02-I
购买数量:
產品特性
  • 特性

2SB~系列電晶體

 



Top

HDMI選擇器 3 進一出 (切換器) MINI-HDMI-301

Part No.: #59798
Product No.: 111118888
包裝單位:
10PC
NT$500
數量: