產品分類
已瀏覽商品

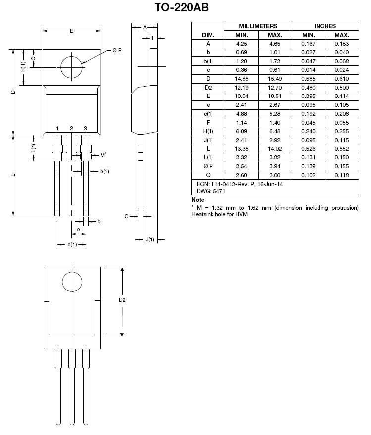
3P/TO-220AB (ROHS) P-Ch. 100V/12A

NT$84
Part No:
6088
Product No:
IRF9530NPBF
品牌:
IR
說明:
技術文件:
包裝單位:
2 個
門市據點各店庫存門市儲位位置圖倉庫儲位位置圖
龍山門市0
光復門市103170-2-06-A
购买数量:
產品特性
  • 特性

IR-IRF9530PBF





Top

HDMI選擇器 3 進一出 (切換器) MINI-HDMI-301

Part No.: #59798
Product No.: 111118888
包裝單位:
10PC
NT$500
數量: