3P/TO-52 (ROHS) 溫度感測器
- 特性
AD590:雙端IC溫度感測器
商品敘述
AD590是一款雙端積體電路溫度感測器,其輸出電流與絕對溫度成比例。在4 V至30 V電源電壓範圍內,該器件可充當一個高阻抗、恒流調節器,調節係數為1 µA/K。片內薄膜電阻經過鐳射調整,可用於校準器件,使該器件在298.2K (25°C)時輸出298.2 µA電流。
AD590適用於150°C以下、目前採用傳統電氣溫度感測器的任何溫度檢測應用。低成本的單晶片積體電路及無需支援電路的特點,使它成為許多溫度測量應用的一種很有吸引力的備選方案。應用AD590時,無需線性化電路、精密電壓放大器、電阻測量電路和冷結補償。
除溫度測量外,還可用於分立器件的溫度補償或校正、與絕對溫度成比例的偏置、流速測量、液位檢測以及風速測定等。AD590可以裸片形式提供,適合受保護環境下的混合電路和快速溫度測量。
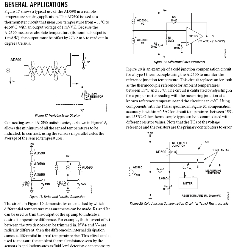
AD590特別適合遠端檢測應用。它提供高阻抗電流輸出,對長線路上的壓降不敏感。任何絕緣良好的雙絞線都適用,與接收電路的距離可達到數百英尺。這種輸出特性還便於AD590實現多工:輸出電流可以通過一個CMOS多工器切換,或者電源電壓可以通過一個邏輯門輸出切換。
特點和優勢
●線性輸出電流:1 µA/K
●寬溫度範圍:-55°C至+150°C
●與探頭相容的陶瓷感測器封裝
●雙端器件:電壓輸入/電流輸出
●鐳射調整至±0.5°C校準精度(AD590M)
●出色的線性度:滿量程範圍±0.3°C (AD590M)
●寬電源電壓範圍:4 V至30 V
●感測器與外殼絕緣
●低成本





