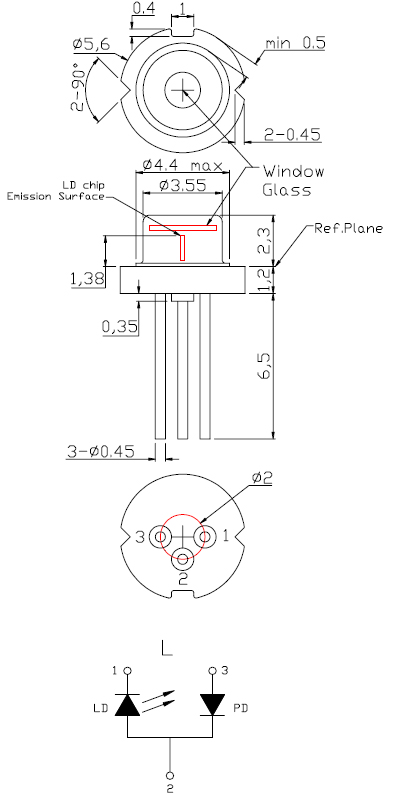
635nm 5mW雷射LED
NT$235
Part No:
62572
Product No:
ADX-6305STL-5
品牌:
Arima Lasers
說明:
技術文件:
包裝單位:
2 個
產品特性
- 特性
雷射LED 635nm 5mW
Features
1. Cost effective
2. High precision assembly
3. High visibility
Applications
1. General purpose red laser light source
2. Industrial laser markers / measuring instruments
3. Laser pointers / leveler
Absolute maximum ratings
Electrical and optical characteristics (Tc=25 ℃)








