產品分類
已瀏覽商品

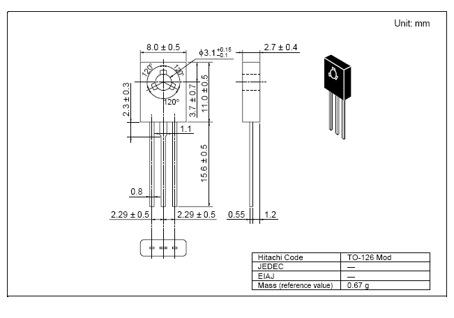
3P/TO-126 (ROHS) NPN 160V/1.5A

NT$48
Part No:
73256
Product No:
2SD669AL-C-T60
品牌:
UTC
說明:
技術文件:
包裝單位:
5 個
門市據點各店庫存門市儲位位置圖倉庫儲位位置圖
龍山門市0
光復門市170170-2-02-J170-F-19-B
购买数量:
產品特性
  • 特性

UTC-2SD669AL-C-T60





Top

HDMI選擇器 3 進一出 (切換器) MINI-HDMI-301

Part No.: #59798
Product No.: 111118888
包裝單位:
10PC
NT$500
數量: