產品分類
已瀏覽商品

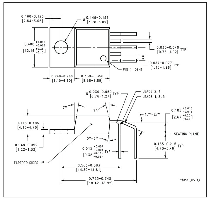
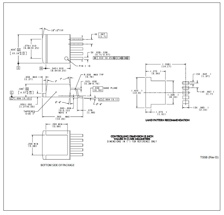
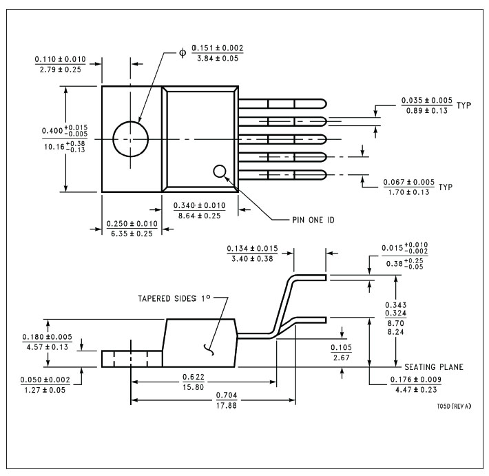
5P/TO-220 (ROHS)

NT$72
Part No:
73906
Product No:
LM2576-5.0
品牌:
HTC Korea
說明:
技術文件:
包裝單位:
2 PC
門市據點各店庫存門市儲位位置圖倉庫儲位位置圖
龍山門市0
光復門市54170-2-06-L170-F-07-C
购买数量:
產品特性
  • 特性

HTC Korea-LM2576T-5.0





















Top

HDMI選擇器 3 進一出 (切換器) MINI-HDMI-301

Part No.: #59798
Product No.: 111118888
包裝單位:
10PC
NT$500
數量: