產品分類
已瀏覽商品

黃金鋁繞線電阻-5W 75ohm±1%

NT$90
Part No:
81052
Product No:
RH-5-75Ω-1%
品牌:
DALE
說明:
技術文件:
包裝單位:
1 PC
門市據點各店庫存門市儲位位置圖倉庫儲位位置圖
龍山門市10167-3-20
光復門市37170-2-1F
购买数量:
產品特性
  • 特性
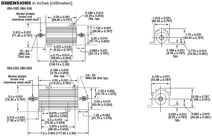
             VISHAY RH, NH Series Dale 黃金鋁繞線電阻


          

           

           

          

           

           

        


        

         

        

      

                 
            
     

      

        
Top

HDMI選擇器 3 進一出 (切換器) MINI-HDMI-301

Part No.: #59798
Product No.: 111118888
包裝單位:
10PC
NT$500
數量: