橋式整流800PRV/10A 無鉛
NT$40
Part No:
8130
Product No:
BR108
品牌:
HY
說明:
技術文件:
包裝單位:
2 個
產品特性
.



- 特性
BR108 橋式整流器
FEATURES
●Surge overload rating: 200 amperes peak
●Low forward voltage drop
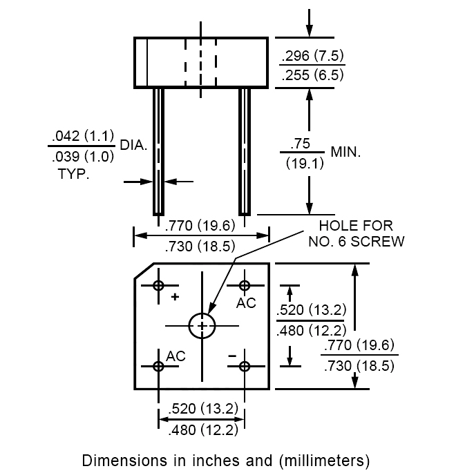
MECHANICAL DATA
●UL listed the recognized component directory, file #E94233
●Epoxy: Device has UL flammability classification 94V-O
●Lead: Mil-STD-202E method 208C guaranteed
●Mounting position: Any
●Weight: 7.86 grams
●Mounting: Hole thru for # 6 screw
.





