產品分類
已瀏覽商品

28P/DIP (ROHS)

NT$78
Part No:
8224
Product No:
ATMEGA8L-8PU
品牌:
ATMEL
說明:
技術文件:
包裝單位:
1 個
門市據點各店庫存門市儲位位置圖倉庫儲位位置圖
龍山門市0
光復門市9170-2-06-C
购买数量:
產品特性
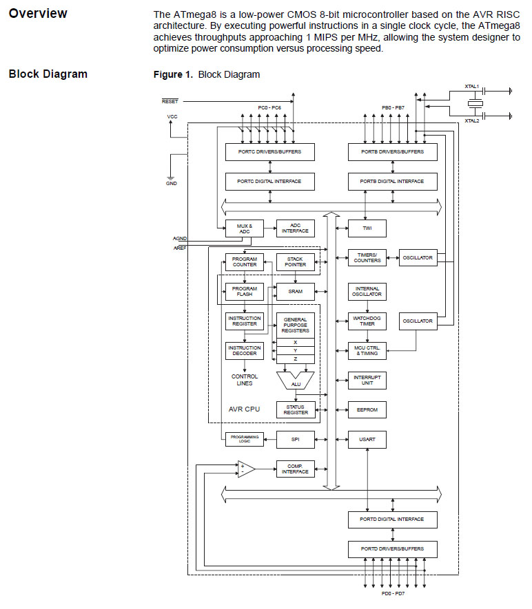
  • 特性

ATMEL-ATMEGA8L-8PU
























Top

HDMI選擇器 3 進一出 (切換器) MINI-HDMI-301

Part No.: #59798
Product No.: 111118888
包裝單位:
10PC
NT$500
數量: