T83-A90X 90V/10A 三極放電管
NT$67
Part No:
82246
Product No:
B88069X8300B502
品牌:
EPCOS AG
說明:
技術文件:
包裝單位:
1 PC
產品特性
- 特性
EPCOS AG- B88069X8300B502
Features
1. Standard size
2. Fast response time
3. Very high current rating
4. Stable performance over life
5. Very low capacitance
6. High insulation resistance
7. RoHS-compatible
Applications
1. Line protection
2. Station protection
3. Branch exchange (MDF)
Electrical specifications

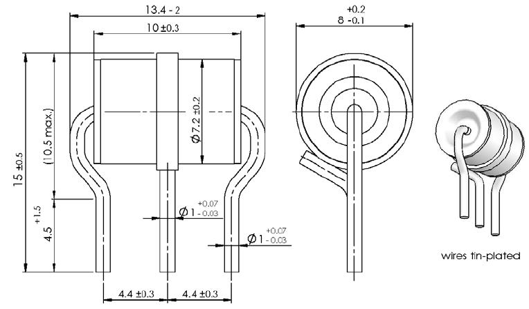
Dimensional drawing in mm

Ordering code and packing advice









