32P Female Housing 2.2mm
NT$150
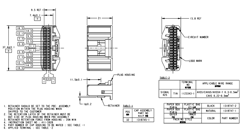
Part No:
88609
Product No:
1318747-1
品牌:
TE / Tyco
說明:
技術文件:
包裝單位:
2 PC






