42電機 2相步進電機 3.1V
NT$470
Part No:
88812
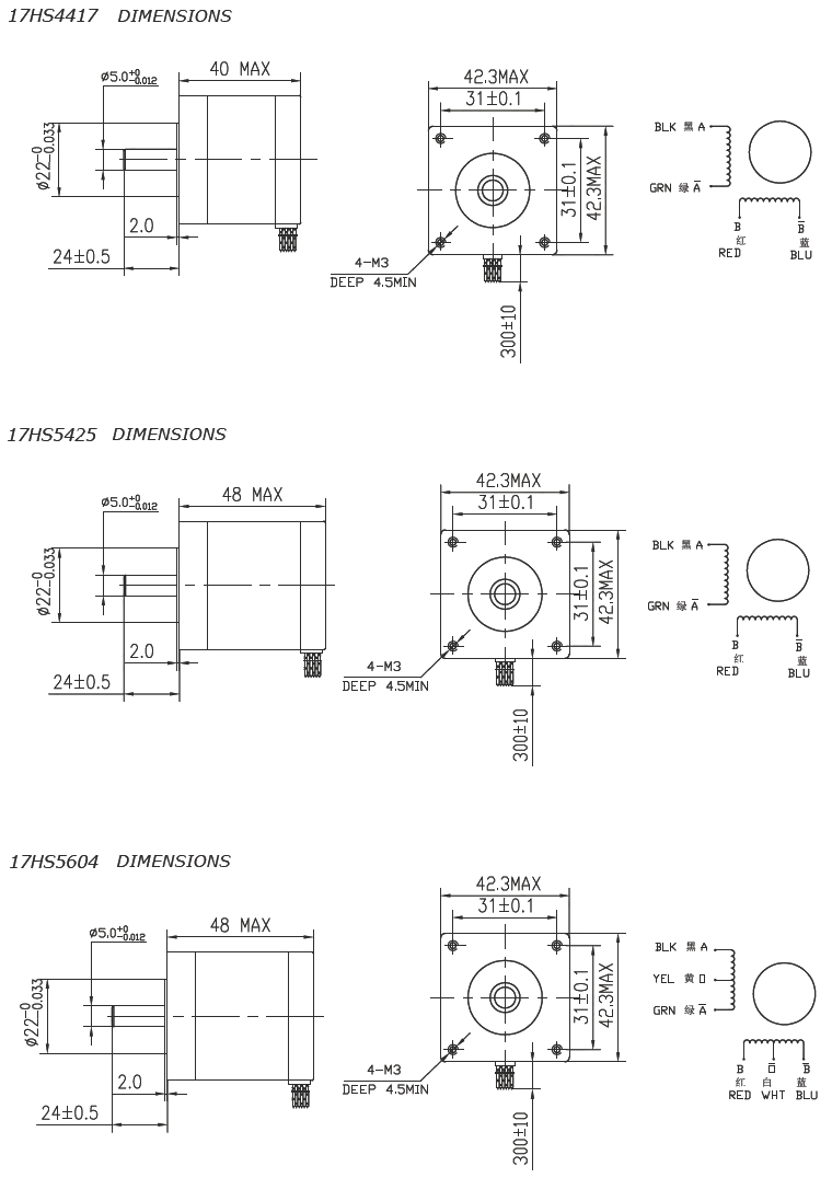
Product No:
17HS5425
品牌:
說明:
技術文件:
包裝單位:
1 PC
產品特性
- 特性
混合步進系列 17HS(42BYGH 1.8°)
商品規格
Step Accuracy---------------------------------±5%
Temperature Rise----------------------------80℃ Max.
Ambient Temperature Range---------- -20℃~+50℃
Insulation Resistance-----------100MΩ Min.50V DC
Dielectric Strength-----------------500V AC 1minute
商品尺寸





