產品分類
已瀏覽商品

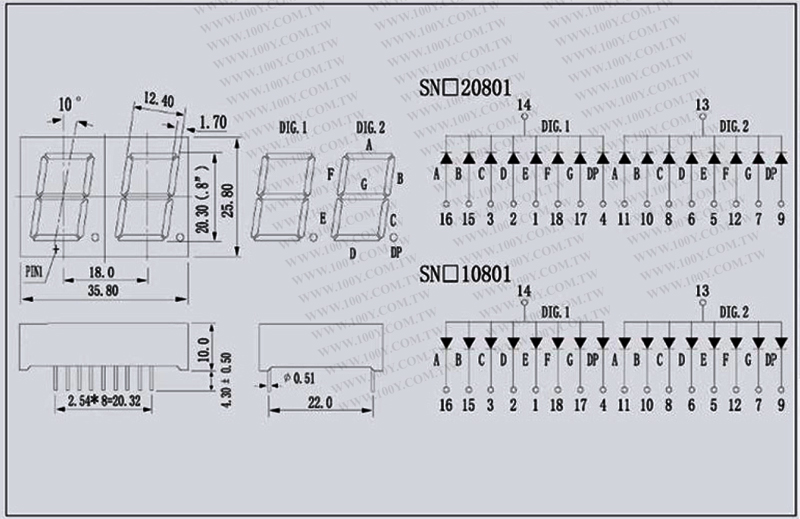
0.56" 4字共陰/紅 640nm/1.8Vf/8..0mcd 【ROHS】

NT$66
Part No:
91836
Product No:
SR420561N
品牌:
說明:
技術文件:
包裝單位:
2 PC
門市據點各店庫存門市儲位位置圖倉庫儲位位置圖
龍山門市50167-2-16167-2-41B
光復門市142170-2-15C166-2-38-C
购买数量:
產品特性
  • 特性

四位數碼管

 

 

 

 


 

 

 

 

 

 

 

 

 

 

 

 

 

 

 

 

 

 

 

 


Top

HDMI選擇器 3 進一出 (切換器) MINI-HDMI-301

Part No.: #59798
Product No.: 111118888
包裝單位:
10PC
NT$500
數量: