產品分類
已瀏覽商品

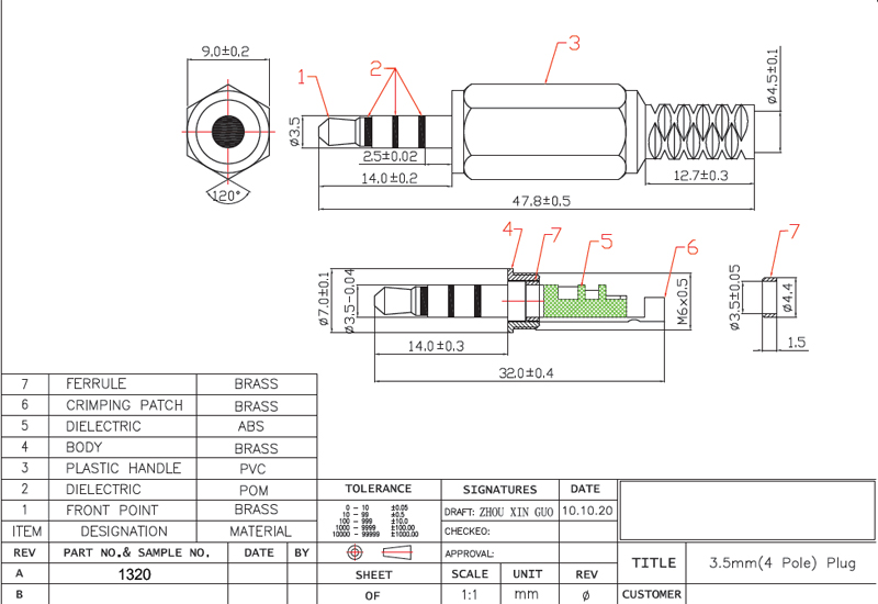
3.5立體4極頭(附尾)【ROHS】

NT$50
Part No:
94273
Product No:
3.5mm-4極插頭
品牌:
說明:
技術文件:
包裝單位:
2 PC
門市據點各店庫存門市儲位位置圖倉庫儲位位置圖
龍山門市174167-2-02167-2-72-B
光復門市353170-2-28-C166-3-03-E
购买数量:
產品特性
  • 特性

3.5立體4極頭

 

 


 

 

 

 

 

 

 

 

 

Top

HDMI選擇器 3 進一出 (切換器) MINI-HDMI-301

Part No.: #59798
Product No.: 111118888
包裝單位:
10PC
NT$500
數量: