產品分類
已瀏覽商品

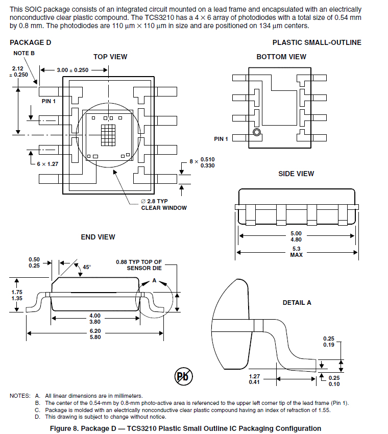
8P/SOIC 顏色感測器

NT$116
Part No:
95805
Product No:
TCS3200D
品牌:
說明:
技術文件:
包裝單位:
1 PC
門市據點各店庫存門市儲位位置圖倉庫儲位位置圖
龍山門市0
光復門市64166-1-22
购买数量:
產品特性
  • 特性

TAOS_TCS3200D






























Top

HDMI選擇器 3 進一出 (切換器) MINI-HDMI-301

Part No.: #59798
Product No.: 111118888
包裝單位:
10PC
NT$500
數量: