產品分類
已瀏覽商品

SMD無源蜂鳴器(電磁式) 3.6V

NT$45
Part No:
95885
Product No:
KLJ-9032A-3627
品牌:
說明:
技術文件:
包裝單位:
2 PC
門市據點各店庫存門市儲位位置圖倉庫儲位位置圖
龍山門市44167-2-07
光復門市50170-2-25-A
购买数量:
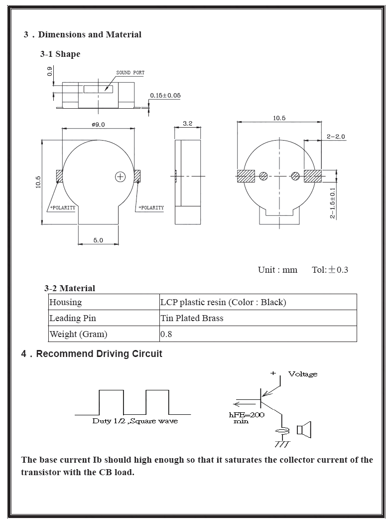
產品特性
  • 特性

KLJ-9032-3627


SMD無源蜂鳴器(電磁式) 3.6V






















Top

HDMI選擇器 3 進一出 (切換器) MINI-HDMI-301

Part No.: #59798
Product No.: 111118888
包裝單位:
10PC
NT$500
數量: