產品分類
已瀏覽商品

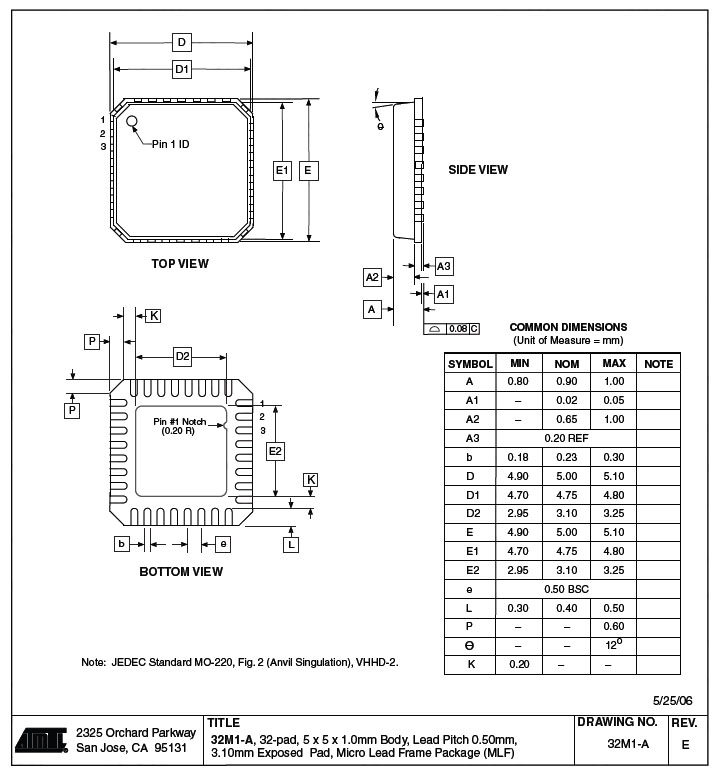
28P/DIP (MCU) 8KB Flash 16MHz

NT$70
Part No:
96953
Product No:
ATMEGA8A-PU
品牌:
ATMEL
說明:
技術文件:
包裝單位:
1 PC
門市據點各店庫存門市儲位位置圖倉庫儲位位置圖
龍山門市0
光復門市10170-2-06-C170-F-19-F
购买数量:
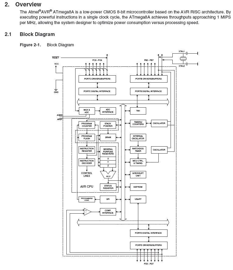
產品特性
  • 特性

ATMEL-ATMEGA8A-PU
















Top

HDMI選擇器 3 進一出 (切換器) MINI-HDMI-301

Part No.: #59798
Product No.: 111118888
包裝單位:
10PC
NT$500
數量: