產品分類
已瀏覽商品

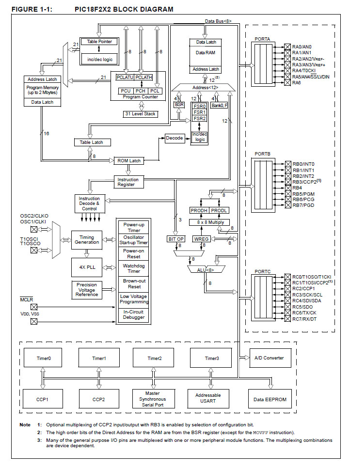
40P/DIP (MCU) 32KB Flash 40MHz

NT$680
Part No:
97166
Product No:
PIC18F452-I/P
品牌:
MICRO-CHIP
說明:
技術文件:
包裝單位:
1 PC
門市據點各店庫存門市儲位位置圖倉庫儲位位置圖
龍山門市0
光復門市24170-2-06-E
购买数量:
產品特性
  • 特性

INTEL-N87C251SB16















































Top

HDMI選擇器 3 進一出 (切換器) MINI-HDMI-301

Part No.: #59798
Product No.: 111118888
包裝單位:
10PC
NT$500
數量: