產品分類
已瀏覽商品

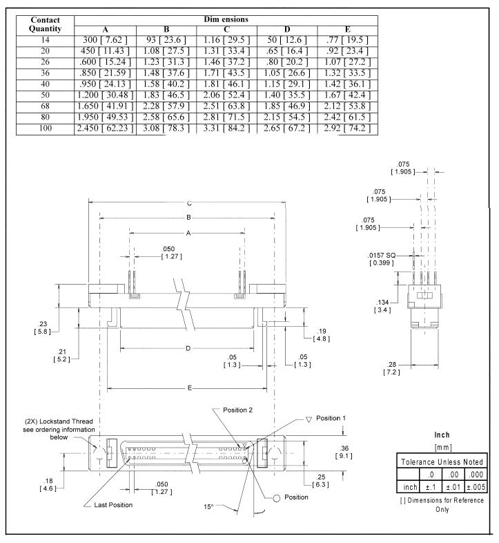
插板式母座 50P 90°(無鉛)

NT$134
Part No:
97818
Product No:
10250-52A2PL-TW
品牌:
說明:
技術文件:
包裝單位:
1 個
門市據點各店庫存門市儲位位置圖倉庫儲位位置圖
龍山門市19167-3-31
光復門市16170-2-31-C170-F-35-B
购买数量:
產品特性
  • 特性

10250-52A2PL








Top

HDMI選擇器 3 進一出 (切換器) MINI-HDMI-301

Part No.: #59798
Product No.: 111118888
包裝單位:
10PC
NT$500
數量: